Skip to content
wauwatosa tube factory
tubes for the noobs in us all
Menu
Hi
Basics
Safety
Volts, Amps, and Ohms
Your homie, ohmie
Series and Parallel
Qué es tube?
Types of Tubes
Tubes 101
Grounded Cathode Amplifier
Cathode Follower
Bias
Tube Data Sheets
Output Transformers
See me rollin’
Output Stages
Tubes 201
Mugmrp
Load Line Calculations
Constant Current Sources
Gyrators
Input/Output Impedance
Reactance
Phase Splitters
The Cascode
Power Supplies
AC/DC
Filtering
Grounding
Heaters
Tube Regulators
Tube Series Regulators
Tube Shunt Regulators
Other PSU variations
Duncan PSU Designer II
Projects
Preamps
Muchedumbre Buffer Preamp
Sofrito Preamplifier
El Matemático Phono Preamp
Headphone Amps
El Estudiante Headphone Amp
Papa Rusa Headphone Amplifier
El Bad Hombre “Balanced” Headphone Amplifier
Power Amps
El Mighty Cacahuate
La Luciérnaga
La Luciérnaga (Part 1, the PSU)
La Luciérnaga (Part 2, the amp)
Los Monos
Chassis on the Cheap
Custom Amps & Past Projects
About Me
Philosophy of Audio
Contact Me
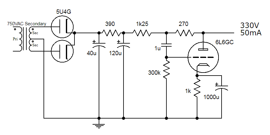
6l6gc ac shunt psu
Leave a comment
Cancel reply
Δ
Post navigation
Previous Post
Previous
6l6gc ac shunt psu
Comment
Subscribe
Subscribed
wauwatosa tube factory
Join 151 other subscribers
Sign me up
Already have a WordPress.com account?
Log in now.
wauwatosa tube factory
Subscribe
Subscribed
Sign up
Log in
Copy shortlink
Report this content
View post in Reader
Manage subscriptions
Collapse this bar