
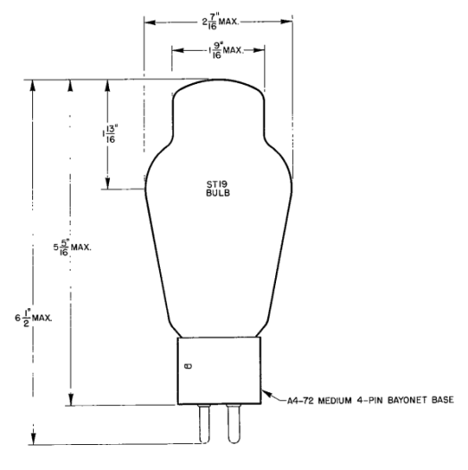
You may find a brand new production pair of Western Electric DHTs under your Christmas tree this year according to a recent press release that updates the release schedule from the Georgia-based company. According to WE, new 300Bs will be shipping in December of this year. You can find detailed specifications on the product page here.
Previous press releases reveal that modern manufacturing will achieve a better vacuum in the new production tubes and that cathode core material will be the same used in vintage tubes. Note that this is the core, not the emissive coating. Average lifetime is given as 40,000 hours (4.5 years of continuous playing).
Though these new production tubes will not be cheap ($1299 per pair), new old stock WE 300Bs sell for eye-watering prices online. Provided these new production tubes demonstrate a good track record, the price for made in America tubes adhering to WE’s original quality standards may not seem so exorbitant to tube enthusiasts (who are a bit exorbitant by nature).
The Western Electric brand name and trademark was revived by Western Electric Export Corporation. The current CEO is Charles Whitener, who was also a founder of Tube Depot (a Tennessee tube and parts retailer).

